
產品中心 
產品名稱:GNSS 高精度疊層天線
應用:自動駕駛, 高精度定位,智慧農業,集裝箱等資產追蹤
1. 產品特點:
編號:DAB1584X4060EBDB1-T
頻率范圍:BD+GPS+GLONASS
饋針數量: 2
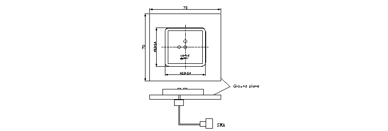
2. 外形尺寸:

3.1 技術指標
項目 | 內容 | |
頻率范圍 MHz | 1555~1610 | |
中心頻率 (不帶膠測試,70×70mm接地板) MHz | 1587.5±3.0 | 1587.5±3.0 |
極化方式 | 線極化 | |
溫度系數max | 20ppm/℃ | |
3.2 額定值
項目 | 內容 |
工作溫度 | -40℃~+85℃ |
貯存溫度 | -40℃~+105℃ |
3.3 特性圖

4. 測試夾具樣板

更多詳情,請聯絡我們獲取規格書。
傳感營銷部聯系電話:+86-573-82600565
微波營銷部聯系電話:+86-573-82600765
海外營銷部聯系電話:+86-573-82600913
傳 真:+86-573-82600916
壓電換能傳感類郵箱:piezo.transducer.sensor.sales@jkelec.com
濾波器天線類郵箱:filter.antenna.sales@jkelec.com
陶瓷諧振器類郵箱:resonator.sales@jkelec.com
地 址:中國浙江省嘉興市嘉杭路1188號