
 產品中心
 產品中心 
產品名稱:GNSS 高精度疊層天線
應用:自動駕駛, 高精度定位,智慧農業,集裝箱等資產追蹤
1. 產品特點:
編號:DAD1227X-1575X4550A-3550BBDZ1-T
頻率范圍: L1L2
饋針數量: 4
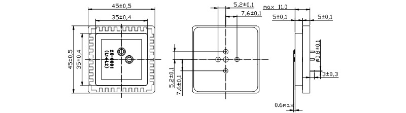
2.  外形尺寸:

3.1 技術指標
| 項目 | 內容 | |
| 天線尺寸 mm | 35*35*5 | 45*45*5 | 
| 標稱頻率 MHz | 1575.42±1.023 | 1227.6±1.023 | 
| 測試條件 | 不帶膠測試,70×70mm接地板 | |
| 中心頻率 MHz | 1591±4 | 1230±4 | 
| 中心頻差 MHz | ︱P1-P2︱≤4 | ︱P1-P2︱≤4 | 
| VSWR max | 2.0 | |
| 阻抗 Ω | 50 | |
| 溫度系數max | 20ppm/℃ | |
3.2  額定值
| 項目 | 內容 | 
| 工作溫度 | -40℃~+85℃ | 
| 貯存溫度 | -40℃~+105℃ | 
3.3特性圖
3.3.1 頻點1\ 頻點2@3550B

3.3.2 頻點1\ 頻點2@4550A

4. 測試夾具樣板

更多詳情,請聯絡我們獲取規格書。
傳感營銷部聯系電話:+86-573-82600565
						微波營銷部聯系電話:+86-573-82600765
						海外營銷部聯系電話:+86-573-82600913
					
傳 真:+86-573-82600916
壓電換能傳感類郵箱:piezo.transducer.sensor.sales@jkelec.com
						濾波器天線類郵箱:filter.antenna.sales@jkelec.com
						陶瓷諧振器類郵箱:resonator.sales@jkelec.com
					
地 址:中國浙江省嘉興市嘉杭路1188號